Intermittore sferoconico

Descrizione tecnica

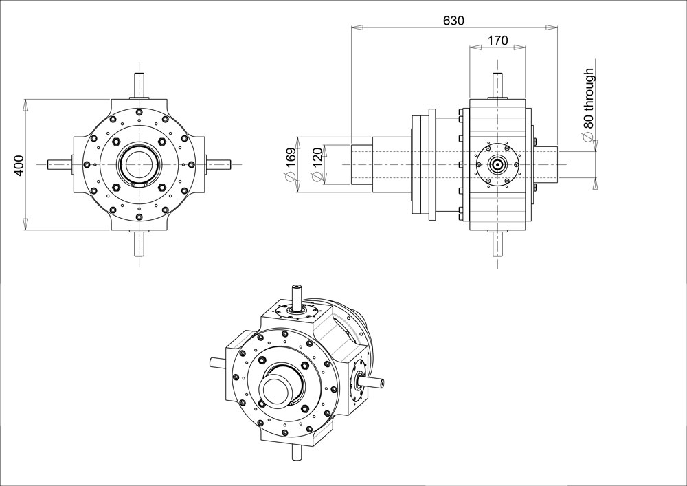
L’intermittore sferoconico è una evoluzione della camma sferoconica ed è caratterizzato dalla stessa disposizione dell'asse del cedente e dell'asse dei rulli entrambi convergenti al centro della sfera, come per la camma sferoconica.

Nel video seguente è visibile la configurazione di base di un intermittore sferoconico con assi a 90°.

Applicazione tipica dell’intermittore sferoconico

L’intermittore sferoconico trova applicazione nella manipolazione e rotazione di oggetti in movimento continuo sulle linee di trasporto e per i quali sono richiesti angoli di rotazione fino a 360°. Tipica è l’applicazione su linee di converting. Nei video seguenti è mostrato un intermittore sferoconico completo di tre uscite con triplo angolo di spostamento in uscita: due di 90° ed uno di 180°.

Vantaggi

L’intermittore sferoconico consente:
  prestazioni elevate con ingombri contenuti
  elevata produttività
  assenza di giochi nelle fasi di presa e rilascio del prodotto, garantendo così un’elevata ripetibilità di posizionamento
  elevata affidabilità
  può essere facilmente inserito in una scatola che consenta una efficace lubrificazione e protezione da eventuali
    contaminazioni di polveri o/e corrosioni

Configurabilità

La particolare geometria dell’intermittore sferoconico consente un’ampia configurabilità in termini di numero di cedenti accoppiabili con la camma, leggi di moto del cedente, di rapporti geometrici interni e di libertà nel definire le posizioni di presa e posa del prodotto da manipolare.

Richiedi informazioni

Inviando questo modulo dichiari di aver letto e di accettare l'informativa sulla privacy.